ZDE/ZDF Series Precision Spur Planetary Gearbox
We can provide customized products and project products according to specific requirements. Please feel free to contact us if you need.
■ Technical Data


The max radial and axial torque work in the location of the center of output shaft when the out speed is 100RPM.

1.The moment of inertia is related with input shaft.
2.Noise test standard pressure level, distance 1m, measured on idle running with an input speed of 3000rpm.
Product Specifications
ZDE SERIES PRECISIOM PLANETARY GEAR MOTOR
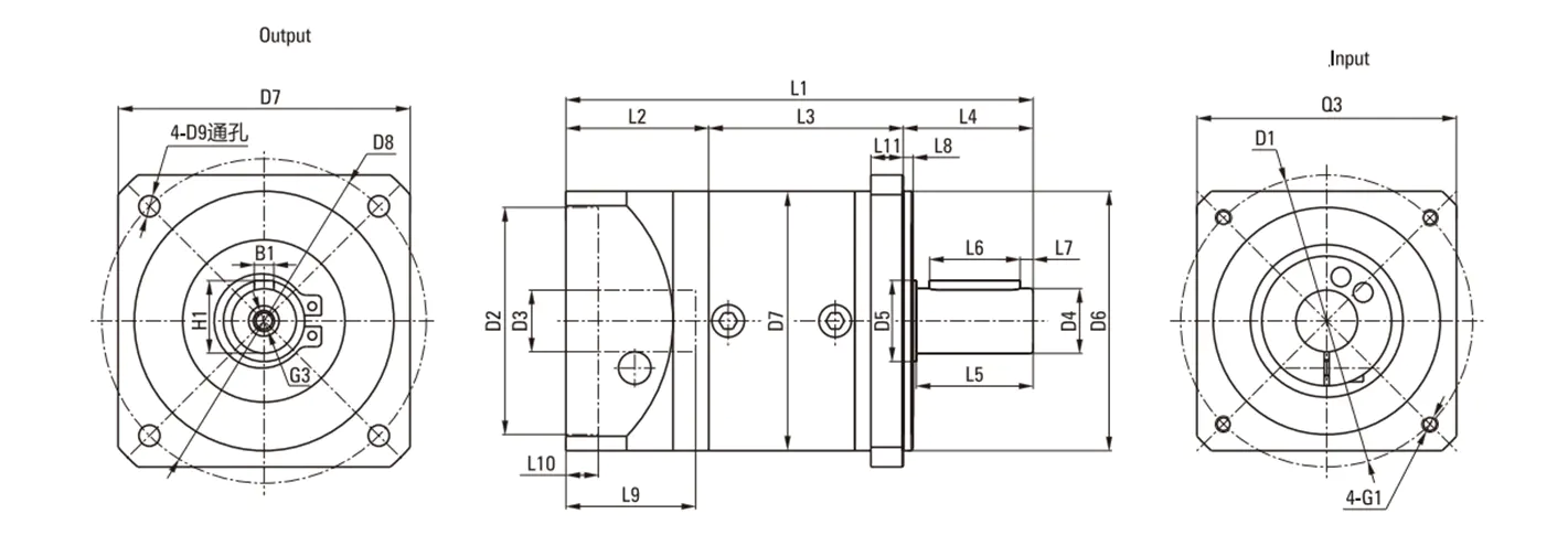
■ Dimensions

ZDF SERIES PRECISIOM PLANETARY GEAR MOTOR
■ Dimensions

■ Unit: mm


Input size made according to motor size.